
I think that we may have a real artificial cartilage. this will be useful in even mechanical devices as well as biolgical systems..
It is very important and here we have an excellent beginning.
We do need a real alternative to mechanical joint replacemnt and this is a great start. It also sounds as if a twenty year life can be possible.
Cartilage-inspired material may find use in self-lubricating bearings
By Ben Coxworth
April 23, 2021
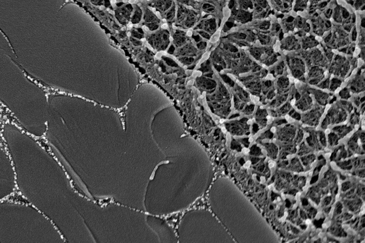
A microscope image of the material, showing the interface between the hydrogel (left) and the polymer (right)
As anyone with arthritis will know, cartilage plays a vital role in allowing our joints to move freely. Scientists have now replicated its qualities in a synthetic self-lubricating material, that only needs occasional infusions of water.
Cartilage covers the ends of the bones in joints such as our knees, letting them move smoothly against one another without wearing down the bone tissue underneath. It's made up of a porous matrix of collagen fibers, proteoglycan proteins, and elastin protein fibers. That matrix absorbs a viscous liquid known as synovial fluid, which is produced in the joints.
As the joint moves, the interfacing cartilage surfaces gradually release that fluid, providing lubrication. At the same time, the absorbed fluid also helps the cartilage to withstand being irreversibly deformed by compressive forces, thanks to a hydroelastic effect. And while researchers have previously tried to create artificial cartilage, they've typically used soft hydrogels that can't cope with such forces.
Led by the University of Leeds' Dr. Siavash Soltanahmadi, scientists from that institution and Imperial College London have taken a different approach. They're still using a hydrogel that can absorb and release a lubricant – in this case, water – but that gel is contained within a porous supportive matrix of a silicone-based polymer called polydimethylsiloxane (PDMS).
When the hydrogel/polymer material is subjected to compressive force, the polymer allows the lubricating gel to withstand 14 to 19 times more force than it could on its own. In fact, the material's elastic modulus is close to that of natural cartilage.
"We have now developed a material for engineering applications that mimics some of the most important properties found in cartilage, and it has only been possible because we have found a way to mimic the way nature does it," says Soltanahmadi. "There are many applications in engineering for a synthetic material that is soft but can withstand heavy loading with minimum wear and tear, such as in bearings."
No comments:
Post a Comment